Телефон
Почта
info@jbi-onix.ru
Режим работы
Пн-Пт 8:00 - 17:00
 
Лестничные марши и площадки
Лестничные марши и площадки
Лестничные марши и площадки
Image 1

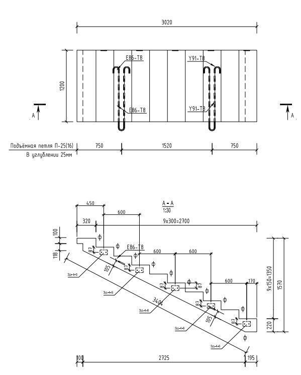
Лестничный марш — это наклонный элемент лестницы, состоящий из ряда ступеней, который связывает между собой этажные и междуэтажные лестничные площадки. Лестничные площадки – это горизонтальные элементы, которые соединяют между собой отдельные секции лестницы.

Лестничные марши изготавливаются по рабочим чертежам организации.

Стандартные габариты лестничных маршей:

Проступи:
ширина - 300мм
высота - 150мм

ЛМ1:
длина - 3680мм
ширина - 1200мм
высота - 1700мм

ЛМ2:
длина -3404мм
ширина-1200мм
высота-1570мм

Длину маршей можно увеличить на две ступени или уменьшить на требуемую высоту.
Ширину маршей возможно уменьшить до 1000мм.
Установка закладных деталей по требованию заказчика.

Лестничные площадки изготавливаются как по рабочим чертежам организации, так и по индивидуальным чертежам.

Свяжитесь с нами
Если у Вас возник вопрос, то заполните форму и отправьте нам сообщение. Мы свяжемся с Вами в ближайшее время.